日前,由深圳市嘉信建設集團有限公司(以下稱“嘉信建設集團”)自主研發的“一種單元式幕墻連接機構”榮獲國家發明專利。
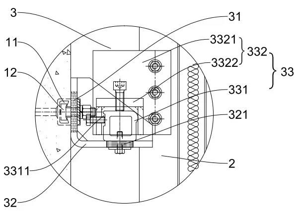
與現有技術相比,嘉信建設集團研發的“一種單元式幕墻連接機構”具有以下特點:在土建結構內設有預埋件,預埋件設有水平方向的“C型槽”,在“C型槽”長度范圍內實現無級調節,實現水平方向沿墻面方向的調節;該單元式幕墻連接機構中的連接組件可以調整幕墻前后和上下方向上的位置,該連接組件還可以上下微調幕墻的位置,方便幕墻位置的調整。
嘉信建設集團自成立以來,一直秉承“專注專業,樂于奉獻;專注品質,勇于創新;專注綠色,敢于超越”的經營理念,截止目前,已取得一系列省級施工工法、27項實用新型專利和30項全國建筑裝飾行業科技創新成果,在節能減排、環境保護、自主創新等方面獲得可喜的成果。此次發明專利的取得,將進一步提升嘉信建設集團的核心競爭力。

熱線
關注
置頂